作者:
發布時間:2021-11-17
瀏覽次數:
根據海螺水泥各公司生產經營計劃,安徽銅陵海螺水泥有限公司聯合華東及中部地區部分公司對磷石膏進行聯合招標,為進一步體現公平、公正、公開的原則,拓寬采購渠道,提高采購質量,現將招標采購信息發布如下:
一、投標人參加投標的條件
1.磷石膏生產廠家自行改性加工后以自有資源參與投標;
2.磷石膏貿易商必須擁有穩定的磷石膏原渣來源(需提供可經核實的相關包銷協議,不接受委托)和固定的改性加工設備及必要的堆存場地;
若投標單位中標,必須在收到中標通知書之日起15個工作日內辦妥一般固廢轉移手續,否則視為廢標。
3.安徽地區針對運輸方式為汽運到廠的,所有運輸車輛必須為“國五”或以上標準的車輛,同時銅陵海螺要求承運車輛必須為環保車;其他地區針對運輸方式為汽運到廠的,按照所在區域政策執行;
4.具有較強的保供能力,應急保供能力強的優先考慮;
5.投標人須能提供合規、合法、有效增值稅專用發票;
6.具備納稅人資格,具備良好的資信狀況和財務狀況。
二、招標內容概況

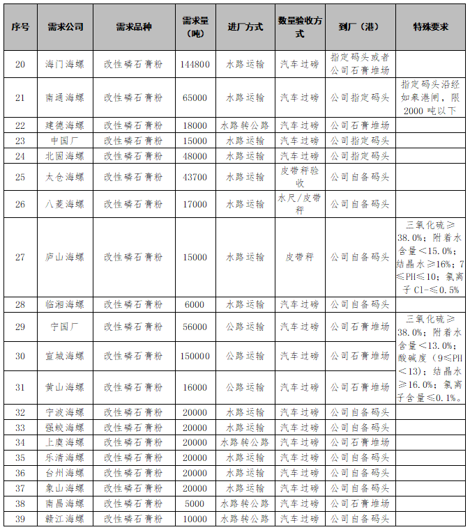
注:具體采購數量以招標人實際需求為準
(1)改性磷石膏球:三氧化硫≥37.0%、附著水含量<16.0%、酸堿度PH值≥7.0、結晶水≥16.0%、磷石膏球成球粒徑為5mm-30mm、成球率≥70%、氯離子≤0.5%、無泥土、石塊等雜物
(2)改性磷石膏粉:三氧化硫≥37.0%、附著水含量<15.0%、酸堿度PH值≥7.0、結晶水≥16.0%、氯離子≤0.5%、無泥土、石塊等雜物
(3)原狀酸性磷石膏粉:三氧化硫≥37%、附著水含量<16.0%、最大粒徑≤50mm、PH<3(根據品種而定)、結晶水≥16.0%、氯離子≤0.5%、無泥土、石塊等雜物
注:具體采購數量以招標人實際需求為準
合同期限:2022年1月1日至2022年12月31日
三、報名投標人需提供的材料
1.三證合一提交營業執照、開戶許可證、安全生產許可證(依據實際)、相關承包處置協議(復印件加蓋單位公章,原件備查)、貨源地環評批復報告。
2.如投標單位經辦人員為非法定代表人,需提供投標單位授權委托書。
特別提示:相關報名材料(加蓋單位公章)需掃描形成PDF文件發送至招標聯系人處,逾期不受理。
四、招標文件的獲取
1.本次招標采用海螺集團陽光采購平臺網絡招標方式進行。
2.實行資格預審制,凡有意參加的投標人請于2021年11月18日8:00-2021年11月25日17:30前登錄海螺集團陽光采購平臺進行網上報名。招標人于2021年11月26日-2021年11月29日開展資質審查,并根據審查結果,發放資格審查通知書。
3.標書發放時間為2021年11月30日8:00至2021年12月5日17:30,投標人須在標書發放時間內以銀行轉賬方式繳納標書費肆佰圓整(400元)至銅陵海螺賬戶購買標書。招標人通過陽光采購平臺審核標書費繳納情況,通過標書費審核的投標人登錄供應商操作界面,網上下載標書(電子版),標書售后不退。
4.標書費用審查部門:銅陵海螺財務處。
五、投標文件的遞交
1.遞交投標文件方式:投標人須在本次磷石膏招標截止時間前,足額繳納投標保證金后,登錄陽光采購平臺供應商操作界面,按照操作流程填制投標報價欄并將簽字及蓋章的商務投標報價表掃描上傳。
2.投標截止時間:2021年12月21日上午10:00。逾期未在陽光平臺正確上傳投標文件或足額繳納投標保證金的投標人,招標人不予受理。
3.遞交投標文件前(2021年12月21日上午10:00)須繳納投標保證金伍萬圓整(50000元);投標保證金請于開標前匯入銅陵海螺公司帳戶(銀行轉賬),確保到賬,并在匯款單上注明所投標項目名稱,不接受個人匯款。未按期匯入投標保證金的(以銅陵海螺實際收到時間為準),其投標文件按作廢處理。開標后按招標文件要求將投標保證金無息退還投標人。
4.招標人不收取任何現金,在任何情況下標書費不予退還。未中標單位投標保證金在招標工作結束后無息退還,中標單位的投標保證金在中標單位與招標單位簽訂合同并支付合同履約保證金后退還(無息)。若中標單位中標后悔標、不能按時簽訂合同則投標保證金不予退還,由此給招標人造成的損失,招標人有權追究悔標單位的全部責任。
六、招標人信息
招標人:安徽銅陵海螺水泥有限公司
開戶行:銅陵市建行城中支行
賬 號:3400 1668 6080 5999 9999
聯系人:張 杰(18555351100)孫 宏(18297995687)
傳 真:0562-2205988
E_mail:tlgyc@163.com
八、監督電話
任何投標渠道如對招評標過程及招標結果存在異議的,請致電供應部投訴電話。
聯系方式:0553-2598265 聯系人:王欽發